電話:
(86)574-88749188
(86)574-88749028
(86)574-88751218
郵箱:
Sales@fhyuli.com
Sales10@njadapter.com
Sales11@njadapter.com
Export05@njadapter.com
| 【產品名稱】 | 美制JIC螺紋37°直管接頭 GP6504系列 |
| 【所屬分類】 | 美制JIC螺紋37°接頭 |
| 【產品型號】 | GP6504 |
| 【產品品牌】 | 寧吉羽立 NJ |
| 【生產廠家】 | 寧波市寧吉羽立流體設備有限公司 |
|
|
|
| 品牌: | NJ |
| 型號: | GP6504 |
| 材質: | 碳鋼 |
| 規格: | 直管 |
| 加工定制 | 是 |
| 適用范圍: | 機械設備 |
| 螺紋類型: | 直螺紋(UN) |
| 鏈接方式 | 螺紋 |
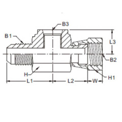
| PART NO | TUBE OD | THREAD | LGTH | HEX | |||||||
| B1 | B2 | B3 | L | L1 | L2 | L3 | W | H | H1 | ||
| GP-6504-04-04-04 | 1/4 | 7/16-20 | 7/16-20 | 7/16-20 | 1.65 | 0.96 | - | - | 0.344 | 1-1/16 | 9/16 |
| GP-6504-06-06-04 | 3/8 | 9/16-18 | 9/16-18 | 7/16-20 | 1.68 | 0.97 | - | - | 0.375 | 1-1/16 | 11/16 |
| GP-6504-08-08-04 | 1/2 | 3/4-16 | 3/4-16 | 7/16-20 | 1.92 | 1.12 | - | - | 0.422 | 1-1/16 | 7/8 |
| GP-6504-08-08-06 | 1/2 | 3/4-16 | 3/4-16 | 9/16-18 | - | 1.3 | 0.98 | 0.7 | 0.422 | 7/8 | 7/8 |
| GP-6504-10-10-04 | 5/8 | 7/8-14 | 7/8-14 | 7/16-20 | 2.13 | 0.85 | - | - | 0.5 | 1-1/4 | 1 |
| GP-6504-12-12-04 | 3/4 | 1-1/16-12 | 1-1/16-12 | 7/16-20 | 2.16 | 0.97 | - | - | 0.562 | 1-1/4 | 1-1/4 |
| GP-6504-16-16-04 | 1 | 1-5/16-12 | 1-5/16-12 | 7/16-20 | - | 1.96 | 1.5 | 0.86 | 0.594 | 1-5/16 | 1-1/2 |
| GP-6504-20-20-04 | 1-1/4 | 1-5/8-12 | 1-5/8-12 | 7/16-20 | - | 2.04 | 1.62 | 0.97 | 0.625 | 1-5/8 | 2 |
| GP-6504-24-24-04 | 1-1/2 | 1-7/8-12 | 1-7/8-12 | 7/16-20 | - | 2.39 | 1.88 | 1.2 | 0.734 | 1-7/8 | 2-1/4 |
生產基地:浙江省寧波市奉化區莼湖街道冒頭開發區 辦公倉儲:浙江省寧波市奉化區莼湖街道翁岙開發區 電話:0574-88749188/13003712888
? 2016-2024 寧波市寧吉羽立流體設備有限公司www.geliao.cn 版權所有 浙ICP備2023002099號-1 網站地圖 XML 技術支持:和眾互聯